AI数据中心供电系统的发展现状和未来趋势
AI数据中心作为数字时代的核心基础设施,承担着海量数据的存储、处理和传输任务,而供电系统是其稳定运行的“生命线”。随着云计算、大数据、人工智能等技术的快速发展,数据中心规模不断扩大,算力需求持续攀升,对电力的依赖程度也日益加深。在一些超大型数据中心,电力需求动辄几十兆瓦乃至上百兆瓦,相当于一个小型城镇的用电量。根据《能源与人工智能(AI)报告》显示,2024 年,数据中心占全球电力消耗(415 太瓦时)的1.5% 左右,预计这一数字将呈指数级增长。预计到2030 年,全球数据中心的电力需求将增加一倍以上,达到约945 太瓦时,相当于全球总用电量的近3%,略高于日本目前的用电量。
一方面,数据中心需要持续、稳定的电力供应,一旦断电,可能导致数据丢失、业务中断,造成巨大损失;另一方面,为了应对高负载需求,供电系统还需具备高效、节能的特点,以降低运营成本和能源消耗,符合绿色低碳的发展趋势。
本文将从AI数据中心供电系统现状和未来趋势两方面为各位看官揭开其神秘的面纱。
当前数据中心供电系统AC部分主流的的拓扑由UPS+PSU组成,UPS为备份电源,PSU为服务器电源,完整的工作流程如下:市电经高压配电站降压后流向低压配电站,同时这部分往往会有柴油发电机作为备份,再由低压配电站流经UPS(不间断电源)系统并维持220V/380VAC配电,之后经配电单元与PSU(机柜电源模块)输出48V/12VDC到服务器端,12VDC以下的负载端供电部分见我司另一篇微信文章《Sunlord破解AI服务器供电难题!揭秘高效、小型化电感黑科技》。
其中UPS由整流、逆变和静态开关三部分组成,正常情况下市电直连静态开关为PSU供电,同时通过整流器为备用电池充电;当市电出现故障时,则备用电池中储存的电能通过逆变器逆变为PSU提供短时间供电,以确保数据不会丢失,主路再次接管供电。
PSU部分先经EMI滤波,再经PFC电路功率因数校正,通过移相全桥拓扑或LLC拓扑实现降压转化输出给负载,负载一般输出48V/12VDC。 PSU和UPS部分的磁性器件产品Sunlord都可以配合定制,并且已有配合多家数据中心电源客户的成功案例。
因服务器功率的增加,传统的DC12V母线系统已经达到瓶颈,若电压不变,则其损耗将越来越大。因此DC48V总线系统横空出世,电流变为原来的1/4,则损耗为原来的1/16,但是DC48V系统还需要进一步转换成DC12V电压才能给主板供电,对此行业内出现了几种主流方案的应用:
(1)LLC拓扑:采用将变压器初次级设计在PCB板上,再扣上磁芯的方式形成平面变压器,通过匝比实现降压功能。Sunlord拥有专业且强大的材料研发团队,实现高性能材料研发,能为客户提供定制化磁芯。
(2)ZSC谐振拓扑:通过开关和电容配合实现高电压到低电压的转换,其中需要电感与电容谐振来实现软开关降低损耗,Sunlord可以提供与电容谐振的电感产品。
(3)多相Buck拓扑:通过多路Buck电感进行降压功能,业内采用耦合电感居多,Sunlord可以提供这类产品。耦合电感优势为:可以使用更小感值、缩小尺寸、减少所需的滤波电容、大大提升瞬态响应。九游体育官方网站
当前数据中心供电系统需要经过多次AC-DC-ACDC,每个环节都伴随着损耗,因此其效率会有所下降,且随着AI 算力需求的激增,所需的电力越来越多,单个系统所浪费的能量若乘以整个数据中心,这将会是一份可怕的电力资源浪费。因此,业内的专家们推陈出新提出了新型的HVDC架构,即高压直流输电,以此来降低损耗。
HVDC(High-Voltage Direct Current) 是一种利用直流电进行大容量、长距离电力传输的技术。顾名思义,相较于前述的UPS+PSU 输出DC48V/12 V 给服务器主板,HVDC 可以输出更高等级的直流母线V,再通过DC-DC 的电源模块将DC240V 电压降压为DC48V,且将传统UPS 的铅蓄电池替换成锂电池BBU,并取消了UPS 逆变和整流的环节,大大提升了电力传输的转化效率。
随着服务器机柜功率越来越大,母线电压也在逐渐上升以降低损耗,并且从电网到高压直流输出之间的转换环节也在不断减少,据英伟达在GTC 2025大会描述,如果1 MW的机柜若采用DC48V母线 千克铜材,而若采用DC800V 的架构,则使用的铜材将减少45%。九游体育官方网站因此业内出现了如下两种方案实现高压直流母线:巴拿马电源和SST 固态变压器,从电网直接转换输出高压直流。
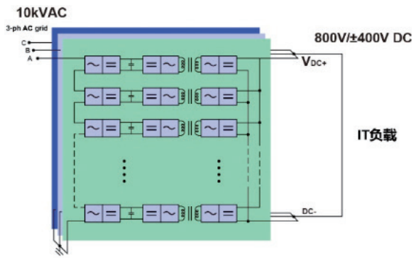
巴拿马电源是一种将交流10kV直接转换为直流240V/336V的一体化供电系统,其名称灵感来源于巴拿马运河“缩短航程”的理念,旨在通过优化供电链路减少能量转换环节,提升整体效率,其主要优势在于:将10kVAC中压配电、移相变压器、整流模块、直流输出等环节集成于一体,省去传统低压配电和冗余设备,大大降低占用体积,提升转换效率。
随着电力电子技术和半导体的发展,固态变压器(Solid-state Transformer, SST)的应用发展日趋成熟。除了基本的电气隔离和电压转换的功能,固态变压器还可以实现无功补偿、功率调节与控制以及多端口接入等功能,功率范围从30 KW-60KW至1MW及以上。
SST可以实现从电网10 KVAC直接一步到位转换为480VAC 电压, 再通过PSU升压为高达800V/±400VDC的直流母线电压给到IT计算机柜单元,其占用的体积进一步减小,损耗进一步降低,实现更高的转化效率。
从上述架构图可以看出,未来随着单个机柜的功率不断上升甚至达到1MW的情况下,业内提出了Sidecar边柜的解决方案,通俗来讲就是将供电电源系统Power Rack与IT Rack分离开,通过Power Rack输出电压集中供电,此方案可以进一步提升机柜的最大功率,提升输出母线 DC-DC部分
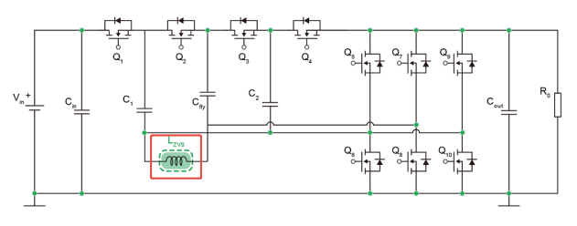
采用HVDC 拓扑架构后输出母线VDC,则在这些高压直流和48V/12VDC 之间还需要一个直流降压转换的模块,业内目前较为普遍的是多个扣磁芯的LLC的平面变压器级联的拓扑,如下以DC400V—DC50V为例:
顶部和底部各2个LLC模块,共4 个LLC平面变压器,4路级联,单路100V,其优势为:①便于绕组设计和实现;②有利于散热;③可以互为备份;④可以灵活设计为其他负载供电。
系统架构总括如下图所示,为未来HVDC 800 V 的供电方案框图,将会采用多种转换形式并存的架构:
其中一路由市电10KVAC输入通过变电站降压至480V/380VAC,再通过整流升压输出800VDC;另一路由市电10KVAC通过SST固态变压器一部到位,输出800VDC;备份电源BBU(电池)在故障时提供临时电力,CBU(超级电容)实现调峰平滑波动,提升电网稳定性;还会有风能、光伏等绿色能源,输出800 VDC 接入,实现直流微电网;并且未来机房供电的趋势是将电源柜和IT 柜分离开,通过汇流排连接相邻IT 机架实现集中供电。

